Crystallized BDI-DC Siries Custom Design
Balanced Head-Phone DC Amplifier (個別仕様モデル)
Type A へ 進化
理想を目指し モノラル構成とDCアンプによるハイエンドモデル
BDI-DC24 TypeA
バランスヘッドフォンを正確にドライブするためには、共通インピーダンスのない 回路構成と配線をした 完全バランスヘッドフォンアンプが必要です。
BDI-DC24 TypeA当社はこの理想に近づけるために BDI-DCシリーズのバランスヘッドフォンアンプを供給してまいりましたが、昨今のヘッドフォンは進化がすさまじく、ハイテク素材のみならず、理想を追求した高級ヘッドフォンが肩を並べております。
そういった センシティブで高性能なヘッドフォンを さらに 理想的なドライブとなる バランスドライブするためには 今まで以上繊細な回路技術が必要になります。
目指したのは 距離ゼロと距離無限大への挑戦 それが Type A
ヘッドフォン祭りでも 大好評であった BDI-DC24タイプ コンプリートバランスアンプ。
これをアップグレードした仕様で お客さまのご希望に合わせカスタム製作してまいりましたが、 今回は カスタムだけでは成しえない、アンプの理想となる 距離と配置の問題に着目。
ノイズなど様々な悪影響からは距離を遠ざけ、回路間や共通インピーダンスの問題は距離を ゼロに近づける回路設計に変更いたしました。
工業生産品としての 妥協部分を出来るだけ排除した、理想的な構成 と ヘッドフォンアンプとしての機能をオールインワンにまとめる十分な性能のアンプ に仕上がっています。
BDI-DC44A with ATTもちろん 今まで通り 職人が一つ一つの部品を確認しながらハンダ付けしていくハンドメイド。部品選定や ハンダの材質もお客さまと相談しながら組み上げることが可能です。ネジ止めによる歪みが許されない精密な勘合が必要なコネクタ加工など、超精密加工をするところは 高精度の工作機械を使い削り出し加工をするなど、妥協を許さない作り方に更に磨きをかけております。
全てが対称 の完全バランス再生。 物理特性に表れない領域までも考慮し、そして内部にまでもその思想を具現化し DC~から数百キロHzまでも再生する 完全直結DCモノラルアンプ 4台構成と超大容量電源の醸しだすサウンドを是非ご堪能下さい。
オーディオ用パーツという性能だけで無く 温度変化や経年変化にも気を使った高信頼性設計
理想を追求するための パーツ選択
ハイエンドを目指す場合、単に好みの音と言うだけで無く、 上流側の音の差が分かるような 色つけの無い性能、さらには どのような ヘッドフォンでもドライブできる性能など 様々な性能が要求されます。
また 良い音が出るだけでは無く、いつも同じ音が出るという、プロフェッショナルな機材に要求される 温度特性や経年変化までも考慮した部品の選定、パターン設計技術などが必要です。
BDI-DCシリーズでは 特にこれらの特性を考慮した部品選定をいたしました。
主要部材
| 基板 | ガラスエポキシ材 |
| 抵抗 | 音声回路用 大型プレート抵抗 保護回路など 高精度金属皮膜抵抗 |
| アッテネータ | 東京光音音電波製 高音質タイプシールドアッテネータ (optional parts) オーディオ用 4連ボリューム(BDI-DC44 は optional parts) |
| コンデンサー | リップル電源 大型大容量コンデンサー (オーディオグレード (optional parts)) 回路電源用 OSコンデンサー 位相補償など ディップマイカコンデンサー、フィルムコンデンサー |
| 整流回路 | 高速 ショットキーバリアダイオード ファストリカバリダイオード(optional parts) |
| 電源トランス | 高性能大型二重絶縁トロイダルトランス (左右独立) |
| XLR 端子 | NEUTRIK 高性能ハイエンド金メッキタイプ (FURUTECH ハイエンドロジウムメッキ端子 optional parts) |
| フォーン端子 | 等圧力接触タイプ 金メッキ端子 |
| RCA | NEUTRIK絶縁タイプ高級金メッキ (optional parts) |
| ACインレット | フルテック 高級金メッキタイプ (optional parts) |
| 主要ケース材 | オールアルミケース パネル厚 3mm 他シャーシ 等 2mm ネジ ステンレスネジ (一部構造材に鉄) 空気孔など ステンレスメッシュ |
※ ベース価格 BDI-DC24A 税込み475200円(432000円税別)、BDI-DC44A 税込み589600円(税別536000円。) 表中 仕様により Optional Partsが適用できない場合等ございます。 (価格改定2014/03/01)
また ディスクリエート部品が世界的に不足しているため 絶版品になった場合将来一部代替えの可能性があります。
詳しくは仕様をお問い合わせ願います。 (例 : 内部に回路非実装の場合など)
※リファレンスシリーズアクセサリも搭載可能です。
ABOUT
Complete Balanced Head-Phone DC Amplifier
ヘッドフォン再生の問題と理想
fig1 干渉部分が多い 一般ヘッドフォンシステム従来の一般のヘッドフォンシステムでは ヘッドフォンケーブルの共通部分(機種により異なります)と アンプ側に 信号線の共有部分があり(fig1例では赤線部分)、お互いに干渉し合い 真のハイファイ再生は望めません。
ヘッドフォン側で共通部分を無くしても アンプ側に共通部分があると そこでも悪影響が有り理想的ではありませんが それでも 距離の長い部分を改善するわけですから、かなり良くなることは明白です。
現在のハイエンドヘッドフォンがこのようなシステムを取っていることでも理解できます。
しかしながら 本当の問題は別のところにもあるのです。それは 回路的な問題です。
更に問題になるのは 振動板を振動させるために 片方向から見ますと 「押す」と「引く」を行いますが、 アースをリターン側にした一般の回路ではプラス側とマイナス側が全く同じ回路にすることは難しく 押すと引くを完全に同一にすることが出来ません。
これは ヘッドフォン再生のみならず、一般のスピーカー再生でも同じ事が言えるのですが、耳の近くで振動するヘッドフォンシステムは これらの問題を繊細に暴露してしまいます。
そこで登場したのが バランスヘッドフォンシステムです。
今までの問題を払拭するバランスヘッドフォン再生システム
fig2
バランスヘッドフォンシステムでは 位相反転された2台のアンプで一つの振動板をドライブします。 左右で 4台のアンプが必要です。(Fig2)
この場合 一般のシングルエンド再生にはない ワイヤー と アンプ側リターン配線の共通インピーダンスが無い理想的な状態に近づけることが出来、結果 左右の干渉が無い 「押す」と「引く」が同一 の 理想的な再生を追求することが可能になります。
しかしながら これでも まだ理想的では無い部分があるのです。
理想的なバランスヘッドフォンシステムを追求するアンプとは
理想的な バランスヘッドフォンシステムを構築するためには 内部的に共通インピーダンスのない 回路構成と配線をした 完全バランスヘッドフォンアンプが必要です。
左右の干渉を無くすために 4本のワイヤーで個別にドライブしている バランスアンプシステムでも たとえば アンプ内部の電源が 左右で干渉していれば バランス再生を生かし切っているとは言えません。その他 アンプ毎の干渉を無くすことも必要です。
また 音楽再生帯域内では 全く同一の動きをするアンプでないと 理想からかけ離れていきます。 これを実現するためには 音楽を再生する帯域より遙かに広帯域にして対応しなければなりません。
BDI-DCシリーズのバランスヘッドフォンアンプは単なる バランスヘッドフォンシステムを構築するためのアンプでは無く、理想的な動作を追求したアンプです。
BDI-DCシリーズの特徴
カスタムだからこそ出来る お客さまの仕様に合わせた専用最適設計
1、電源を完全モノラル構成にすることにより 左右の干渉を内部的に削減しています。
2,音声帯域より遙かに広帯域なアンプ( DC~ 1MHz目標) にすることで 音声帯域内のバランス動作を完全なものに近づけています。
3,モノラルアンプを多数用意するのでは無く 距離を短く出来る同一ケースにお収める事で より理想的な動作になります。
4,距離を短くしたことで 理想的な一点アースが可能になります。
5,距離を短くし低インピーダンスにすることで ノイズの影響を受けにくくなります。
6、極厚な非磁性体ケースやシャーシー、 非磁性体部品で構成することで 遮へい効果に優れ ノイズの発生が減り、ノイズの影響を受けにくくなります。
7,アンプとして 信号の流れに沿った 部品配置と接続をした構成により 距離が短く ノイズの影響も受けにくくなります。
8,BDI-DC44では BDI-DC24の電源部を更に進化させ、 トランスから絶縁された左右独立だけで無く HOT側と COLD側でさらにトランスから独立した個別の電源を搭載しています。
Crystallize BDI-DC 24A
Complete Balanced Head-Phone DC Amplifier OJI Special
完全モノラル構成と総合アンプ、それぞれの利点を凝縮
左右独立した 大容量トロイダルトランスのレギュレーションと大容量リップルコンデンサーが生みだす 余裕の力を、完全DC直結広帯域アンプが、高性能ヘッドフォンを朗々と鳴らしきります。
さらに アンバランス-バランス変換回路も内蔵。 これらも ヘッドフォンアンプと共存することで左右独立した電源を利用でき、さらに極短の接続とすることが出来、クロストークや配線などの影響をことごとく遮断し、理想的なバランス再生をサポートします。

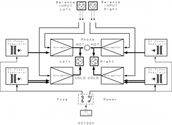
BDI-DC24A ブロックダイアグラム
お客様の感想 BDI-DC24 A
以前から憧れていたOJI SPECIALのヘッドフォンアンプ、しかもパワーアップしたBDI-DC24Aが到着し、早速到着した日の夜に試聴を行いました。
既存のシステムはDPAT-01から直接CROWN D-45へ接続していましたが、今回BDI-DC24Aが来た事により、CROWN D-45はお役ご免となりました。
因みにヘッドフォンはゼンハイザーHD555のアンバランスで、今回の試聴はこのゼンハイザーHD555で行いました。 私の数少ない経験の中でBDI-DC24Aの音を聞いてまず感じたのは『美味しい天然水を飲んでいる感覚』といいますか、『雑味が無い』かつ『すっきりとした感覚』を得た事です。実に解像度が高く、実に見通しがよく、癖のない、実に体に良く染入る音です。事前にジャンルを問わないヘッドフォンアンプとお伺いしていましたが、まさにその通りで美空ひばりからYMOそしてCHICAGOにYES、そしてオフコースとヘッドフォンを見事に鳴らしてみせてくれます。やっとDPAT-01にとって相応しい環境を用意する事が出来たと、嬉しい気持ちで一杯でいます。この度はこのような素晴らしいヘッドフォンアンプを作成頂き、本当に有難うございました!。バランス接続用のヘッドフォン探しが、より一層楽しいものとなりました(笑)。今後とも宜しくお願い致します。
全面
背面
BDI-DC24 TypeA OJI Special 仕様例
※ お客様の仕様による特注生産
お問い合わせ
仕様
■入力部
入力: バランス1系統 アンバランス1系統 背面セレクタ
バランス入力コネクタ ノイトリック ハイエンドロジウムメッキ
アンバランス入力コネクタ ノイトリックRCAタイプ金メッキ
入力インピーダンス 約50KΩ
■アッテネータ :東京光音電波製 4連シールド付きボリューム
■アンバランス→バランス変換回路 :FET入力DCアンプ構成による変換回路
帯域外高周波フィルター付き(使用部品 ディップマイカコンデンサー -6dB/oct)
■バランスヘッドフォンドライブアンプ : FET入力DCアンプ構成による
広帯域ドライブ回路。電圧ゲイン 約2.5
出力コネクタ (バランス) ノイトリック ハイエンドロジウムメッキ
(Φ6.3アンバランス)金メッキタイプ
(絶縁タイプフレームで共有アースはアースポイントに一点アース。アンバラ出力は バランスアンプを共有)
■電源
左右独立 トロイダルコア大容量トランス
ファストリカバリダイオード整流、オーディオグレード 大容量電解コンデンサー 8ヶ
電源出力 大容量OS-CON、電源使用パスコン フィルムコンデンサー
AC入力コネクタ フルテック金メッキタイプ
■その他
オーディオ回路 使用抵抗 プレート抵抗, 保護回路等のみ高精度金属皮膜抵抗
回路上のコンデンサー パスコンOSーCONのみ(一般アルミ電解コンデンサー不使用)
DC検出保護、電源ディレイ回路搭載
シルバーカラー オールアルミケース
サイズ 430 (W) x 88 (H) x 231 (D) 重量約 5.2Kg (仕様によって変わります)
Crystallize BDI-DC 44A
Complete Balanced Head-Phone DC Amplifier OJI Special
4台全てのアンプが独立構成 4台のトロイダルトランス使用の大容量電源と4台の超広帯域直結DCアンプがドライブする超弩級の音質
左右を分離しただけで無く、 HOT COLD合わせて 4台のアンプ全てを独立しドライブ。
全てのアンプの干渉をことごとく排除したアンプです。
BDI-DC24の更に二倍の大容量。
全ての干渉を排除するために もっとも理想的なトロイダルトランスにもかかわらず さらに アンプ回路と分離する 2階建て構造のケースを採用。
トランスからの 距離を離すことはもちろん、 アルミシャーシによる分離で ACノイズはもちろん 他のアンプの誘導などの影響を さらに ことごとく遮断し、超弩級の理想的なバランス再生をサポートします。




BDI-DC44 TypeA 仕様例
※ お客様の仕様による特注生産
お問い合わせ
仕様
■入力部
入力: バランス1系統
バランス入力コネクタ ノイトリック ハイエンドロジウムメッキ
入力インピーダンス 約50KΩ
■バランスヘッドフォンドライブアンプ : FET入力DCアンプ構成による
広帯域ドライブ回路。電圧ゲイン 約2.5
出力コネクタ (バランス) ノイトリック ハイエンドロジウムメッキ
(Φ6.3アンバランス)金メッキタイプ
(絶縁タイプフレームで共有アースはアースポイントに一点アース。アンバラ出力は バランスアンプを共有)
■電源
左右 HOT COLD 独立 トロイダルコア大容量トランス 4ヶ
ファストリカバリダイオード整流、オーディオグレード 大容量電解コンデンサー 16ヶ
電源出力 大容量OS-CON、電源使用パスコン フィルムコンデンサー
AC入力コネクタ フルテック金メッキタイプ
■その他
オーディオ回路 使用抵抗 プレート抵抗, 保護回路等のみ高精度金属皮膜抵抗
回路上のコンデンサー パスコンOSーCONのみ(一般アルミ電解コンデンサー不使用)
DC検出保護、電源ディレイ回路搭載
シルバーカラー オールアルミケース、シャーシ厚さ2mm (内部シールド板 1mm)
サイズ 430 (W) x 149 (H) x 231 (D) 重量約 8Kg (仕様によって変わります)
お客様の感想 BDI-DC44 Type A
[OJI Special BDI-DC44 type A without Volume Controller]
このたび、既存のあらゆるシステムを凌ぐ世界最高のヘッドホンシステムを構築したい、ということでOJI Special様に相談をさせていただき、BDI-DC44 type A を設計・製造していただいた。尚、本機は小生の環境に合わせて既存のBDI-CD44にマイナーチェンジを施したものであり、ヴォリュームが取り除かれている他、回路の配置などに変更が施されている。
詳細説明に入る前に、本機について簡単にレビューをしたい。本機の特徴と言える点は3点あり、
1.如何なるヘッドホンをも悠々と鳴らし切る駆動力
2.最高水準の解像度・ワイドレンジ・音の分離
3.極めて高いS/N比(ノイズが少ないということ)
4.音色面における偏りの小ささ
だと感じる。
1については、業界でも特に鳴らしづらいと言われるHifiman HE-6やBeyerdynamic T1を、余力を残して鳴らし切っていることから、確かな実力があるとしている。
2と3については、実際に他のヘッドホンアンプ(HPA)複数と聴き比べた結果、圧倒的な性能であると判断している。
4については、様々なジャンルの音源を聴き比べた結果、音色面で相性の悪いジャンルが他のHPAと比べて少なかったことに基づく。独自の音色を前面に出すというよりも、上流の機器・アクセサリの音色を活かしてくれるタイプだと感じる。
基本性能からして桁違いに高いので、どんな方にでもお勧めできると感じているが、定価30万円クラスのハイエンドHPAをお持ちで、その基本性能に不満を感じていらっしゃる方、あるいはハイエンドSPシステムを構築されているものの、近隣への配慮から特に夜間の再生を制限されている方(プリ・パワー分離であれば、プリを活かせる)には、特にお勧めできる逸品である。
BDI-DC44A with ATT


















バックナンバー